全国服务热线0371-64756507
服务热线0371-64756999
首页>>产品类型>>门窗型材
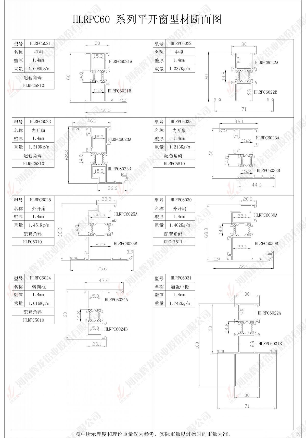
HLRPC60系列平开窗型材断面图
HLRPC60系列隔热外开平窗节点图
QQ咨询
联系电话
微信扫一扫
返回顶部